Komplettering till SS437 01 02
Elinstallationer för lågspänning. Vägledning för anslutning, mätning, placering och montage av el- och teleinstallationer.
4.1.1 Servis
Varberg Energi äger och underhåller servisledningen fram till första anslutningspunkt (dvs. där serviskabeln ansluts hos kunden). Därefter börjar kundens elanläggning med servissäkring och/eller mätarsäkring, se illustration nedan. Servisledningen har ett kortslutningsskydd i nätstation/kabelskåp/stolpe.
En mätarplats:
Mer än en mätarplats:
4.1.2 Utrymme för servisledning och serviscentral
För nyanslutning, återanslutning och ombyggnad tillämpas endast jordkabelservis. Anslutningspunkten är vid anslutningsklämmorna i kunds serviscentral, kabelmätarskåp, fasadmätarskåp eller markmätarskåp.
Kundens anslutningspunkt ska alltid vara inom kunds tomt. Tänk på att placera anslutningspunkten så att den inte blir eller framledes kan bli inbyggd. Detta för att säkerställa Varberg Energis tillträde till anslutningspunkt/serviskabel.
Servisledning till vilken är anslutet mer än en kundanläggning ska i samtliga fall innehålla servissäkring och mätarsäkringar.
Serviscentral placeras normalt invid yttervägg (mindre serviscentral kan placeras mot ytter- vägg, beakta dock alltid minsta böjningsradie), i bottenplan eller källare, mot matande elnät. Fasadmätarskåp, markmätarskåp, kabelmätarskåp eller serviscentral med tillhörande mätutrustning får ej placeras på eller inom anläggningsdel som tillhör Varberg Energi.
Följande anslutningspunkter har förekommit vid nätanslutning, men tillämpas inte längre:
- Friledningsservis med anslutningspunkt kundens isolatorer på kunds byggnad eller motsvarande.
- Hängkabelservis med anslutningspunkten hängkabelservisens ändpunkt vid kunds husvägg.
Kabelförläggning
Gällande anslutningsavgifter förutsätter att kund ansvarar för schaktningsarbete och rörförläggning inom tomt. Övrig ansvarsfördelning enligt tabell nedan. I de fall tomtgräns inte finns (t.ex. lantgård) gäller förutsättningen inom trädgårdsmark respektive gårdsmark.
|
Vem har ansvar vid kabelförläggning |
||||
|
Ansvarsområde |
Varberg Energi |
Kunden |
|
|
|
|
Material |
Arbete |
Material |
Arbete |
|
Grävning och återfyllning inom kundens tomt |
|
|
|
x |
|
Rör för elkablar |
x |
|
|
x |
|
Dragtråd i rör |
|
|
x |
x |
|
Elkabel |
x |
x |
|
|
|
Kabelindragning |
|
x |
|
|
|
Kabelanslutning |
|
x |
x |
|
|
Tätning av rörgenomföring |
|
|
x |
x |
Övriga föreskrifter, normer och anvisningar, förutom SS 437 01 02, som gäller vid kabelförläggning i mark:
- ELSÄK-FS 2008:1 Elsäkerhetsverkets föreskrifter och allmänna råd om hur elektriska starkströmsanläggningar ska vara utförda.
- SS 424 14 37 Kabelförläggning i mark.
- Energiföretagens anvisningar: För dig som behöver el till din fastighet med max säkring 63A.
- Energiföretagens anvisningar:För dig som behöver el anslutning inom intervallet 80-1500A.
Kabelskyddsrör
Kabelskyddsrör från byggnad till tomtgräns eller gräns för gårdsmark förläggs enligt föregående bestämmelser och anvisningar samt följande tabell:
|
Kabelskyddsrör |
|||
|
Kabelarea |
Ytterdiameter |
Böjningsradie, kabel |
Böjningsradie, rör |
|
10 mm2 |
50 mm |
450 mm |
500 mm |
|
50 mm2 |
110 mm |
450 mm |
800 mm |
|
95 mm2 |
110 mm |
650 mm |
800 mm |
|
150 mm2 |
110 mm |
650 mm |
800 mm |
|
240 mm2 |
110 mm |
650 mm |
800 mm |
Rören ska uppfylla kraven enligt SS 424 14 37. Skydden skall vara utförda av plast (PEH, PEL eller PVC) och vara infärgade med gul markeringsfärg.
Vid användning av färdiga rörböjar eller böjliga rör ska dessa ha böjningsradie enligt tabell Kabelskyddsrör.
Vid användning av normerade svarta kabelrör typ SRE-P i mark, ska rörets ovansida i hela sin längd kompletteras med markeringsband vilket skall vara gult och märkt ”ELKABEL”.
Rören avslutas i tomtgräns mot gatumark och 1,0 meter från husliv. Draggrop ska finnas i bägge ändarna av rören. Förläggningsdjup minst 0,45 meter och max 1,0 meter (rekommenderat djup 0,5m) till rörets överkant. Införingshålet för serviskabel får aldrig vara djupare än 1,2 meter under färdig mark. Vid byggnad ska röret ligga på samma nivå som införingshålet.
Serviskabel får inte vara förlagd i eller under byggnad, eller genom kryputrymme (torpargrund/kulvert). Detta gäller för både öppet och i rör förlagd kabel.
För att göra kabeldragning möjlig är det viktigt att kabelrören läggs plant och rakt.
Vid varje riktningsändring och var 20:e meter ska draggrop anordnas.
För serviskabel 10mm2 räcker det i allmänhet med en draggrop på 1x1 meter. För serviskablar 50-240 mm2 fordras större draggrop på 2x2 meter.
Röret ska förses med korrosionsbeständig dragtråd. Rörändar tätas för att förhindra inträngande fyllnadsmaterial.
För ytterligare information se länken Förläggning av kabelskyddsrör och kanalisation i tomtmark.
4.1.2.1 Utförande av servisledning
Varberg Energi levererar serviskabeln TN-C (fyrledarsystem). Observera att bygel för TN-S skall vara monterad av elinstallatör innan idrifttagning.
4.1.3.2 Val av servisledning och överlastskydd för dessa
Varberg Energi dimensionerar och väljer servisledning (kabeltyp, antal och area) på grundval av kunds önskade anslutningsstorlek i ampere (servissäkring/mätarsäkring) och placeringen av anslutningspunkten i förhållande till elnätet.
Större serviser bör dimensioneras så att belastningen inte varaktigt överstiger 80 procent av servissäkringens märkström.
Uppbyggnadsritning och enlinjeschema för serviscentral större än 63A ska skickas in med föranmälan för godkännande.
4.1.3.4 Plombering
Den plombering som finns anbringad på Varberg Energis elmätare får endast brytas av behörig elektriker i de fall det krävs för felsökning. Då plomberingen brutits måste det omgående meddelas till Varberg Energi.
4.3 Tillfälliga elanläggningar
Servisledning för tillfälliga anslutningar tillhandahålls normalt av kund och får vara max 5 meter. Om mätarcentralen är placerad på större avstånd än 5 meter från kabelskåpet eller nätstationen, ska en inmatningsenhet bestående av gängsäkring eller lastbrytare med säkring monteras vid kabelskåp/nätstation. Se exempel 1 exempel 2 och exempel 3. Kunden ansvarar alltid för att anslutningskabeln har ett mekaniskt skydd ut efter hela dess sträckning.
Det bör tas i beaktan att byggcentraler enligt SS 436 40 00 avsnitt 704 skall utrustas med jordfelsbrytare med max 30 mA märkutlösningsström då de matar uttag med märkström upp till 32A. Överstiger märkströmmen för uttagen 32A är kravet max 500 mA utlösningsström.
Kapsling som används för tillfällig anslutning skall vara intakt och utan skador. Kapslingen skall också placeras på ett stabilt sätt och samtliga anslutna kablar skall vara dragavlastade.
I förprojekterade exploateringsområden eller vid vissa ombyggnationer, kan den permanenta serviskabeln tillfälligt användas för bygg- kraftleverans. Se tillfällig elanslutning exempel 4.
Tillfällig elanslutning, byggkraft på redan befintlig anläggning, servis i tomtgräns.
4.4 Reservkraft
Reservkraftanläggningar indelas i fyra kategorier. På föranmälan och enlinjescheman ska anges vilken kategori som installationen avser.
Allmänt gäller:
- Anslutning av reservkraft kategori 1-2, ska utföras så att utmatning av kraft på elnätet inte kan ske. För kategori 3 gäller utmatning i nätet i maximalt 1 sekund.
- Reservkraft kategori 4 betraktas som en produktionsanläggning när elnätet är i drift.
- Reservkraftsaggregat understigande 50 kVA tillåts inte som kategori 4. Kategorierna framgår av Energiföretagens ”Stationära reservkraftsanläggningar”.
Följande anvisningar, standarder och handböcker gäller, förutom SS 437 01 02 (utgåva 2):
- Reservkraftaggregat Energiföretagen, best. nr. 30439
- Stationära reservkraftanläggningar, anvisningar
- För säker drift Energiföretagen, best. nr. 30368
- Elinstallationsreglerna SS 436 40 00
- SEK Handbok 447, tekniska anvisningar föranslutning och drift av generatoraggregat
Mobil anslutning med anslutningsdon
Normalt begränsas här anslutningsmöjligheten till max 125A vid användning av CEE-don. Inmatningsenheten i figur ”mobil anslutning” nedan visar exempel på en elkopplare mot intagsstiften. Vid denna konstruktion gäller att elkopplaren ska ha frånskiljningsegenskaper enligt SS 428 06 05, SS-EN 60947-1 och SS-EN 60947-3. Detta innebär tillförlitlig lägesindikering, kontrollerad mekanism med normerade till och frånslagskrafter. Elkopplaren ska vara märkt med symbol för frånskiljare.

Symbol frånskiljare
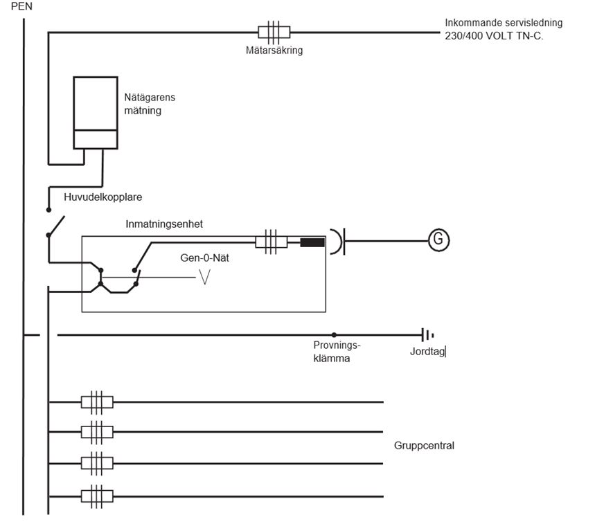
Stationär anslutning
Stationära anslutningar som automatstartad reservkraft hos lågspänningskunder utförs enligt den anvisning som framgår av principschemat nedan.
6 Mätsystem
6.1 Allmänt
Följande gäller vid abonnemangsförändring (mätarsäkringsförändring):
6.1.1 Placering
I första hand ska placering av mätare ske enligt SS 437 01 02. Valbara alternativ: Fasadmätarskåp, markmätarskåp eller kabelmätarskåp. Undantag medges i specifika fall i samråd med Varberg Energi.
Skarvning av serviskabel inomhus i bostäder medges ej. Vid förändringar i kundens anläggning ska mätaren flyttas ut till fasad eller markmätarskåp
6.3 Ny eller utökad mätning med strömtransformatorer 80A och uppåt
Varberg Energi tillhandahåller och levererar strömtransformatorer, mätarplint (E-nr: 4279017) och schema för inkoppling. Vid mätning med strömtransformatorer ska följande underlag bifogas föranmälan:
- Enlinjeschema och frontskiss överinkoppling
- Skenstorlek samt åtdragningsmoment för strömtransformatormontage
- Nedsäkring – mätsystem med strömtransformatorer ska byggas om till direktmätning när mätarsäkring sänks till 16-63A.
-
Uppsäkring- direktmätning ska byggas om till mätsystem med strömtransformatorer när mätarsäkring höjs till 80A eller högre.
|
Anläggningsdel |
Elnätsföretaget |
Kund |
||
|
Arbete |
Materiel |
Arbete |
Materiel |
|
|
Strömtransformator |
|
x |
x |
|
|
Mätarplint |
|
x |
x |
|
|
Mätare |
x |
x |
|
|
|
Mätarskåp |
|
|
x |
x |
Byte av uttjänt befintlig inomhusplacerad mätartavla, med bibehållen placering, tillåts i bostäder då åtgärden är att anse som underhåll. Ombyggnad till markmätarskåp, fasadmätarskåp eller kabelmätarskåp rekommenderas. Utgörs serviskabeln av FCJJ eller annan kabel av äldre typ, kan denna komma att skarvas om till en N1XV kabel i mark i samband med att mätarplacering flyttas ut till fasadmätarskåp.
Observera att Varberg Energi aldrig ansluter PEN-ledare vars area understiger 10mm2, således skall en kabel vars PEN-ledare understiger detta bytas ut.
Elkopplare efter mätaren ska utföras med oberoende handmanöver (enligt SS 437 01 02). En strömtransformators strömkrets får aldrig lämnas öppen. Sekundärkretsen ska alltid hållas kortsluten. Mätspänningskretsen ska avsäkras med diazedsäkring 10A G2. För kabelmätarskåp medges avsäkring med knivsäkring 10A NH000 (trippelnolla). Säkringar tillhandahålls av elinstallatör.

Mätarplint som Varberg Energi tillhandahåller.